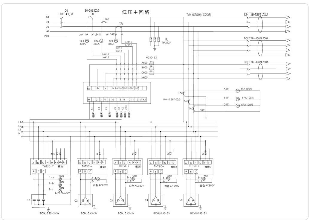
產品概述:
GGJ低壓無功功率補償柜是針對電網實際情況而專門設計的,它采用智能控制技術,一方面有效解決了在諧波工況下并聯電容器自動投切無功補償的問題,另一方面可以根據用戶實際要求濾除諧波,清潔電網環境,降低損耗,消除諧波危害;并向系統提供容性無功,改善功率因數。可用于電力、冶金、石油化工、工礦企業、建筑、機械等行業配電系統中。產品型號說明
| ① | 低壓無功功率補償柜 |
| ② | 額定電壓 (kV) |
| ③ | 額定電流 (A) |
| ④ | 諧波支路 (3、5、7、11) |
| ⑤ | J: 靜態 D:動態 |
使用環境條件
● 海拔高度:2000米;
● 環境溫度:-25~+40℃;
● 相對濕度:不超過90%(20℃);
● 安裝場所無易燃、易爆物品,無腐蝕性氣體和導電塵埃;
● 無劇烈震動和顛簸,安裝傾斜度不大于5度;
注:訂購本產品超出上述條件規定時,請與本公司協商。
結構簡介
● 電壓過零點投切補償裝置,實現無涌流、無沖擊,可頻繁、快速投切電容器;
● 響應速度快,快速跟蹤系統負荷的無功變化,實時動態或靜態響應投切;
● 采用電容器自動/手動投切裝置,可頻繁操作,提高補償精確度;
● 柜頂裝有散熱風機,有溫控開關控制,適時調節柜內溫度;
● 保護功能齊全:有短路、過載、過壓、欠壓、缺相等保護,設置方便。
技術參數
● 額定電壓:400V,660V,1000V;
● 額定頻率:50Hz;
● 額定容量:30-1000var;
● 運行電壓范圍:0.8-1.1 Un;
● 電容器接線方式:Y或△;
● 測量誤差:電壓:±0.5%,電流:±1%,無功:±1%;
● 投切方式:按諧波電壓或功率因數自動投切;
● 投切延時:0-999s可調。

常用配置表

參考方案