產品概述:
該負荷開關為充氣柜專用負荷開關,產品為旋轉刀片結構,采用滅弧柵滅弧,性能可靠,具有較好的絕緣性能及開斷性能。 產品性能符合GB1985-2004《高壓交流隔離開關和接地開關》E3-M2級隔離開關的要求。?使用環境條件
● 海拔高度不超過2000m,震裂度不超過8度;
● 周圍空氣溫度低于+50℃,不低于-40℃,相對溫度日平均不大于95%,月平均不大于90%;
● 經常性劇烈震動的安裝場所,明顯影響機構性能的水蒸汽、氣體、化學腐蝕性沉積、鹽霧、灰塵污垢及其火災,爆炸危險的安裝場所不適使用;
● 額定SF6氣體壓力0.04MPa,SF6氣體符合GB/T12022-2014《工業六氟化硫》要求。
?
主要技術參數

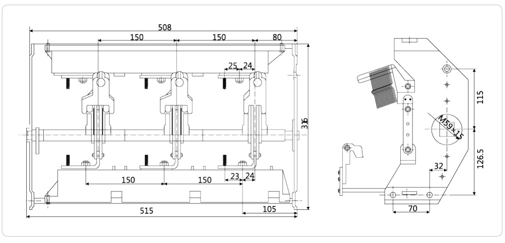
外形及安裝尺寸圖
?